Air Valves Manufacturer & Supplier
Stainless Steel Air Valves, Carbon Steel Air Release Valves, Alloy Steel Air Valves, Brass Air Valves, Aluminium Air Relief Valves Stockist & Exporter
Air Valves Manufacturers, Air Release Valves Suppliers, Air Relief Exporters in India
Hitesh Metal is a renowned Air Valves Manufacturer & Supplier in the contemporary market. We manufacture Air Release Valves or Air Relief valves with different sizes and shapes keeping the customer’s convenience in view. It is our pride to say that Air Release Valves Brand of ours has its own importance. Thence our Air valves have huge demand. So we always maintain substantial quantity of air valves stock.
We use ultra-superior metals to manufacture flawless and rust free SS Air Release Valves and Alloy Steel Air Valves. Our raw materials are lent from honest and genuine vendors. Our Aluminium Air Release Valves and Brass Air Release Valves are noted for their exemplary properties like toughness and corrosion resistance.
Cast Iron Air Valves are our other variety of valves which we produce in different types. Keeping the client’s industrial parameters in view, customized Double Acting Air Valves are designed. We reassure corrosion and sturdiness resistant Kinetic Air Valves at affordable prices.
Our Single and Double Air Lock Valves are finely finished to ensure extreme dimensional accuracy. Our professional employment personnel are well trained to fabricate Single / Double Orifice Air Valves using latest design techniques. For the distinguished properties of our Tamper Proof Air Valves they have many industrial applications.
For detailed view about each and every product, you can visit our official web page with ease. In case of any queries, you can contact our sales team at any moment. They are 24x7 available to contribute their services. Hurry up!
Air Release Valves, Large Orifice Air Valve, Kinetic Air Valves, Single / Double Orifice Air Valves Dealer & Wholesaler
ANSI/ASME B16.10 Air Valves Specifications:
| Size | 25 to 600 mm |
| Pressure Rating | ASA 125#, 150#, 300#, PN1.6, PN6, PN10, PN16, PN 20 |
| Specification | General manufacturing standard, IS: 14845/G&K/AWWA: C-512 |
| Application | Water, Stem Hot Water etc. |
| Material | CI/CS/SS/DI/GM etc. |
| End Connection | Screwed, Flanged End |
| Manufacturing Standard | MARK-016, IS 14845 |
| Type | Single Acting, Double Acting, Kinetic Type Isolating |
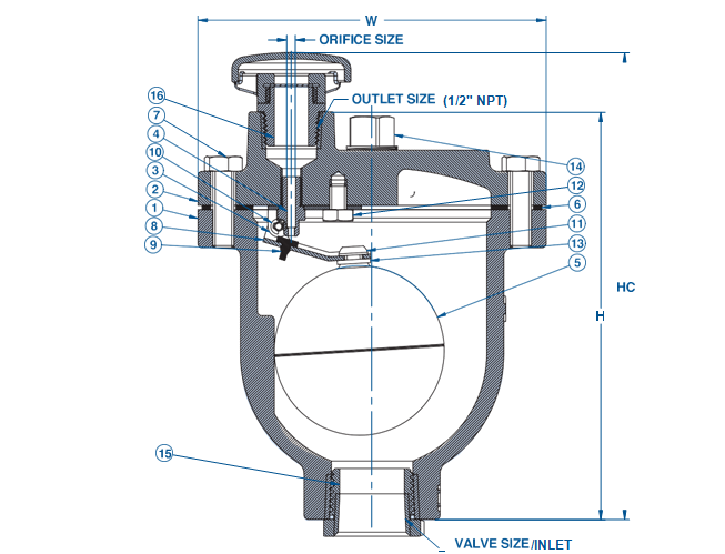
Dimensions of ANSI/ASME B16.10 Air Valves
Air Valves for Water
![]() |
|||||||
| Valve Size | Orifice Size | Max C.W.P. | Inlet Connection | W | H | HC | Wt. (Lbs.) |
| 1/2"* | 1/16" | 175 | NPT | 4-3/4" | 5-1/4" | 6-1/8" | 6.3 |
| 3/4"* | 1/16" | 175 | NPT | 4-3/4" | 5-1/4" | 6-1/8" | 6.3 |
| 1"* | 1/16" | 175 | NPT | 4-3/4" | 5-1/4" | 6-1/8" | 6.3 |
| 1/2"* | 3/32" | 175 | NPT | 5-1/8" | 6" | 6-7/8" | 8.2 |
| 3/4"* | 3/32" | 175 | NPT | 5-1/8" | 6" | 6-7/8" | 8.2 |
| 1" | 3/32" | 175 | NPT | 5-1/8" | 6" | 6-7/8" | 8.2 |
| 1/2"* | 1/16" | 300 | NPT | 5-1/8" | 6" | 6-7/8" | 8.2 |
| 3/4"* | 1/16" | 300 | NPT | 5-1/8" | 6" | 6-7/8" | 8.2 |
| 1" | 1/16" | 300 | NPT | 5-1/8" | 6" | 6-7/8" | 8.2 |
| 3/4"* | 1/8" | 150 | NPT | 6-1/8" | 7" | 7-7/8" | 12.4 |
| 3/4"* | 3/32" | 300 | NPT | 6-1/8" | 7" | 7-7/8" | 12.4 |
| 1" | 1/8" | 150 | NPT | 6-1/8" | 7" | 7-7/8" | 12.4 |
| 1" | 3/32" | 300 | NPT | 6-1/8" | 7" | 7-7/8" | 12.4 |
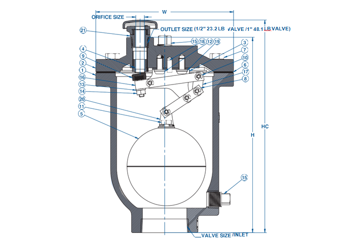
![]() |
|||||||
| Valve Size | Orifice Size | Max C.W.P. | Inlet Connection | W | H | HC | Wt. (Lbs.) |
| 1" | 3/16" | 150 | NPT | 7" | 9-15/16" | 10-13/16" | 23.2 |
| 1" | 5/32" | 300 | NPT | 7" | 9-15/16" | 10-13/16" | 23.2 |
| 2" | 3/16" | 150 | NPT | 7" | 9-15/16" | 10-13/16" | 23.2 |
| 2" | 5/32" | 300 | NPT | 7" | 9-15/16" | 10-13/16" | 23.2 |
| 2" | 23/64" | 150 | NPT | 9-1/2" | 12-1/4" | 13-11/32" | 48.1 |
| 2" | 7/32" | 300 | NPT | 9-1/2" | 12-1/4" | 13-11/32" | 48.1 |
| 3" | 23/64" | 150 | NPT | 9-1/2" | 12-1/4" | 13-11/32" | 48.1 |
| 3" | 7/32" | 300 | NPT | 9-1/2" | 12-1/4" | 13-11/32" | 48.1 |
Series WAV-D Water Air/Vacuum Valve (Deep-well Service)
![]() |
|||||||
| Valve Size | Orifice Size | Max C.W.P. | Inlet Connection | W | H | HC | Wt. (Lbs.) |
| 1" | 5/64" | 300 | NPT | 11-3/8" | 10-1/2" | 11-5/8" | 40.6 |
| 2" | 3/32" | 300 | NPT | 14" | 13" | 14-7/8" | 75.5 |
| 3" | 3/32" | 300 | NPT | 16" | 15" | 17-9/16" | 114 |
| 3" | 3/32" | 150 | #125 Flg | 16" | 17" | 19-9/16" | 114 |
| 3" | 3/32" | 300 | #250 Flg | 16" | 17-1/2" | 20-1/16" | 114 |
| 4" | 3/32" | 300 | NPT | 18-1/2" | 17" | 20" | 161.9 |
| 4" | 3/32" | 150 | #125 Flg | 18-1/2" | 19" | 22" | 161.9 |
| 4" | 3/32" | 300 | #250 Flg | 18-1/2" | 19-1/2" | 22-1/2" | 161.9 |
| 6" | 6" | 150 | #125 Flg | 21" | 18-3/4" | 20-1/2" | 231 |
| 6" | 6" | 300 | #250 Flg | 21" | 18-3/4" | 20-1/2" | 231 |
| 8" | 8" | 150 | #125 Flg | 25" | 21-11/16" | 23-11/16" | 373 |
| 8" | 8" | 300 | #250 Flg | 25" | 21-11/16" | 23-11/16" | 373 |
![]() |
||||||||
| Valve Size | Orifice Size | Max C.W.P. | Inlet Connection | Air Vacuum Valve | Air Release Valve | A | B | Wt. (Lbs) |
| 1" | 1/16" | 300 psi | NPT | WAV10-300 | WAR101005-116-300 | 8" | 17" | 33 |
| 2" | 1/16" | 300 psi | NPT | WAV20-300 | WAR101005-116-300 | 10-1/2" | 19" | 60 |
| 3" | 1/16" | 300 psi | NPT | WAV30-300 | WAR101005-116-300 | 10-1/2" | 19" | 62 |
| 4" | 3/16" | 150 psi | 125# Flg | WAV40-150F | WAR101005-316-150 | 20" | 22-1/2" | 131 |
| 4" | 5/32" | 300 psi | 250# Flg | WAV40-300F | WAR101005-532-300 | 20" | 22-1/2" | 139 |
| 10" | 3/16" | 150 psi | 150# Flg | WAV100-150F | WAR101005-316-150 | 28" | 31" | 465 |
| 10" | 5/32" | 300 psi | 300# Flg | WAV100-300F | WAR101005-532-300 | 28" | 31" | 490 |
| 10" | 23/64" | 150 psi | 150# Flg | WAV100-150F | WAR202010-2364-150 | 32" | 32-1/2" | 495 |
| 10" | 7/32" | 300 psi | 300# Flg | WAV100-300F | WAR202010-732-300 | 32" | 32-1/2" | 520 |
| 12" | 3/16" | 150 psi | 150# Flg | WAV120-150F | WAR101005-316-150 | 32" | 35" | 715 |
| 12" | 5/32" | 300 psi | 300# Flg | WAV120-300F | WAR101005-532-300 | 32" | 35" | 740 |
| 12" | 23/64" | 150 psi | 150# Flg | WAV120-150F | WAR202010-2364-150 | 36" | 36" | 745 |
| 12" | 7/32" | 300 psi | 300# Flg | WAV120-300F | WAR202010-732-300 | 36" | 36" | 765 |
| 14" | 3/16" | 150 psi | 150# Flg | WAV140-150F | WAR101005-316-150 | 35" | 38" | 950 |
| 14" | 5/32" | 300 psi | 300# Flg | WAV140-300F | WAR101005-532-300 | 35" | 38" | 975 |
| 14" | 23/64" | 150 psi | 150# Flg | WAV140-150F | WAR202010-2364-150 | 39" | 38" | 975 |
| 14" | 7/32" | 300 psi | 300# Flg | WAV140-300F | WAR202010-732-300 | 39" | 38" | 1000 |
| 16" | 3/16" | 150 psi | 150# Flg | WAV160-150F | WAR101005-316-150 | 38-1/2" | 41" | 1280 |
| 16" | 5/32" | 300 psi | 300# Flg | WAV160-300F | WAR101005-532-300 | 38-1/2" | 41" | 1300 |
| 16" | 23/64" | 150 psi | 150# Flg | WAV160-150F | WAR202010-2364-150 | 42-1/2" | 41" | 1310 |
| 16" | 7/32" | 300 psi | 300# Flg | WAV160-300F | WAR202010-732-300 | 42-1/2" | 41" | 1330 |
Air Valves for WasteWater
![]() |
|||||||
| Valve Size | Outlet Size | Orifice Size | Max C.W.P. | Inlet Connection | W | H | Wt. (Lbs.) |
| 2" | 1" | 1/8" | 150 | NPT | 7" | 14-15/16" | 40.57 |
| 2" | 2" | 9/64" | 150 | NPT | 9-1/2" | 18-1/16" | 67.35 |
| 3" | 3" | 11/64" | 150 | NPT | 11" | 23-1/4" | 112.6 |
| 4" | 4" | 11/64" | 150 | NPT | 11" | 23-1/4" | 113 |
![]() |
|||||||||
| Valve Size | Outlet Size | Orifice Size | Max C.W.P. | Air Vacuum Valve | Air Release Valve | Pipe | A | B | Wt. (Lbs.) |
| 2" x 1" | 1" | 3/16" | 150 | WWAV20-1-150 | WWAR202005-316-150 | 2" | 17-1/4" | 20-1/4" | 86 |
| 2" | 2" | 3/16" | 150 | WWAV20-150 | WWAR202005-316-150 | 2" | 18-1/2" | 20-1/4" | 112 |
| 2" | 2" | 7/16" | 150 | WWAV20-150 | WWAR202010-716-150 | 2" | 19-3/4" | 22-3/4" | 140 |
| 3" | 3" | 3/16" | 150 | WWAV30-150 | WWAR202005-316-150 | 2" | 18-1/2" | 22-3/4" | 112 |
| 3" | 3" | 7/16" | 150 | WWAV30-150 | WWAR202010-716-150 | 2" | 19-3/4" | 22-3/4" | 140 |
| 4" | 4" | 150 | WWAV40-150F | WWAR202005-316-150 | 2" | 21" | 36-1/2" | 220 | 220 |
| 4" | 4" | 150 | WWAV40-150F | WWAR202010-716-150 | 2" | 22-1/8" | 36-1/2" | 250 | 250 |
| 6" | 6" | 150 | WWAV60-150F | WWAR202005-316-150 | 2" | 23-5/8" | 36-1/2" | 294 | 294 |
| 6" | 6" | 150 | WWAV60-150F | WWAR202010-716-150 | 2" | 24-1/8" | 36-1/2" | 320 | 320 |
| 8" | 8" | 150 | WWAV80-150F | WWAR202005-316-150 | 2" | 26-3/4" | 41-1/4" | 468 | 468 |
| 8" | 8" | 150 | WWAV80-150F | WWAR202010-716-150 | 2" | 28" | 41-1/4" | 495 | 495 |
Types of ANSI/ASME B16.10 Air Valves
- Air Valves Manufacturer
- Air Valves Supplier
- Air Valves Stock
- Air Release Valves
- Air Relief valves
- Air Release Valves Brand
- Cast Iron Air Valve
- Double Acting Air Valves
- Kinetic Air Valve
- Single Air Lock Valve
- Double Air Lock Valve
- Single Orifice Air Valve
- Double Orifice Air Valve
- Kinetic Air Valve
- Tamper Proof Air Valve
- SS Air Release Valves
- Alloy Steel Air Valves
- Aluminium Air Release Valves
- Brass Air Release Valves
- Carbon Steel Air Valves
- Low Temperature Carbon Steel Air Valves
- Martensitic Steels Air Valves
- Austenitic Stainless Steel Air Valves
- Duplex Stainless Steels Air Valve
- Super Duplex Stainless Steels Air Valve
- Nickel Alloys Air Valve
- Nickel Aluminum Bronze Air Valve
- Hastelloy Air Valves
- Inconel Air Valves
- Titanium Alloy Steel Air Valves
For Air Valves price list as on :
Request the latest Air Valves Price List. Use the contact button below for Air Valves Ready stock information and updated price list.
Other Material Grades of ANSI/ASME B16.10 Air Valves
| DESCRIPTION | UNS GRADE | FORGING | CASTING | BARSTOCK |
|---|---|---|---|---|
| Carbon Steel | K30504 | A105 | A216 WCB | A105 |
| Low Temp Carbon | K03011 | A350 LF2 | A352 LCB | A350 LF2 |
| High Yield Steel | K03014 | A694 F60 | - | A694 F60 |
| 3 1/2 Nickel Steel | K32025 | A350 LF3 | A352 LC3 | A350 LF3 |
| 5 Chrome, 1/2 Moly | K41545 | A182 F5 | A217 C5 | A182 F5 |
| 1 1/4 Chrome, 1/2 Moly | K11597 | A182 F11 | A217 WC6 | A182 F11 |
| 2 1/4 Chrome, 1 Moly | K21590 | A182 F22 | A217 WC9 | A182 F22 |
| 9 Chrome, 1 Moly | K90941 | A182 F9 | A217 WC6 | A182 F9 |
| 13 Chrome | S41000 | A182 F6A | A351 CA15 | A276 or A479 410 |
| 304 | S30400 | A182 F304 | A351 CF8 | A276 or A479 304 |
| 304L | S30403 | A182 F304L | A351 CF3 | A276 or A479 304L |
| 316 | S31600 | A182 F316 | A351 CF8M | A276 or A479 316 |
| 316L | S31603 | A182 F316L | A351 CF3M | A276 or A479 316L |
| 317L | S31703 | A182 F317L | A351 CG8M | A276 or A479 317L |
| 321 | S32100 | A182 F321 | - | A276 or A479 321 |
| 347 | S34700 | A182 F347 | A351 CF8C | A276 or A479 347 |
| 17-4PH | S17400 | A564 630 | - | - |
| Alloy 400 | N04400 | B564 N04400 | A494 M35-1 | B164 N04400 |
| Alloy K500 | N05500 | - | - | B865 N05500 |
| Alloy 800 | N08800 | B564 N08810 | - | B408 N08800 |
| Alloy 825 | N08825 | - | - | B425 N08825 |
| Alloy 600 | N06600 | B564 N06600 | A494 CY40 | B166 N06600 |
| Alloy 625 | N06625 | B564 N06625 | A494 CW 6MC | B446 N06625 |
| Alloy B2 | N10665 | B564 N10665 | A494 N 12MV | B335 N10665 |
| Alloy C | N10002 | - | A494 CW6M | - |
| Alloy C22 | N06022 | B574 N06022 | A494 CX2MW | B574 N06022 |
| Alloy C276 | N10276 | B564 N10276 | A494 CW12 MW | B574 N10276 |
| 22% Duplex | S31803 | A182 F51 | A890 Gr 4A | A276 or A479 S31803 |
| 25% Duplex | S32750 or 32760 | A182 F53 | A890 Gr 6A | A276 or A479 S32750 or 60 |
| 254SMO | S31254 | A182 F44 | A351 CK3MCuN | A182 F44 |
| 904L | N08904 | B625 N08904 | - | B649 N08904 |
| Titanium | R50400 | B381 F2 | B367 C2 | B348 Gr 2 |
ANSI/ASME B16.10 Air Valves Application
| Off-Shore Oil Drilling Companies | Power Generation | Petrochemicals | Gas Processing |
| Specialty Chemicals | Pharmaceuticals | Pharmaceutical Equipment | Chemical Equipment |
| Sea Water Equipment | Heat Exchangers | Condensers | Pulp & Paper Industry |
ANSI/ASME B16.10 Air Valves Manufacturer & Supplier
- Air Valves manufacturer in india
- Air Valves supplier in india
- Air Valves manufacturer in Mumbai
- Air Valves manufacturer in Pune
- Air Valves supplier in Chennai
- Air Valves manufacturer in Hyderabad






